三分频音箱、未来高档专业娱乐音箱的主流
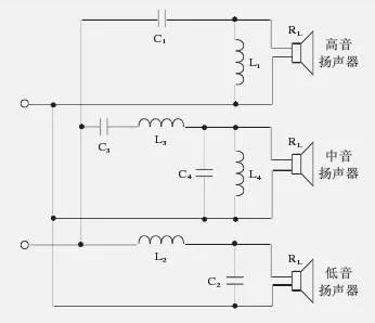
三分频音箱是指由高、中、低音或中低、中高、超高音等不同频响特性的喇叭单元组装而成的全频带音箱。箱体内部有分频器,对应着高、中、低等单元进行分频。一般这种音箱在HI-FI级别常见,针对不同单元的频率特性对其进行分频会使音乐更加富有层次感。
自从人类发明喇叭以来,人们经历了从单只喇叭听(放)音到两只甚至更多喇叭听(放)音的一个过程。
在长期的研究实践当中,人们发现:一个喇叭所能重放的声音频带受其震膜(纸盆)口径的限制,口径大的喇叭声音往低处沉,口径小的喇叭声音往中高音飚、口径不大不小的喇叭声音在中间频带,即俗称的中音。
为了让一个音箱能相对真实自然地重放50Hz~20KHz的全频带声音,人们只有采用一个低音喇叭和一个高音喇叭来组装音箱,使音箱的响应频率拓宽、表现力更强。

经过实践,人们发觉两只喇叭合装在一个箱子里虽然也能发出声音,但是由于两个喇叭特性(频响、阻抗、灵敏度)不同,简单的合用不能有效地协调两种(个)不同的喇叭单元的工作,不能使声音和谐自然。
为了喇叭之间能和谐工作,发挥其最大能量并使之表现力更强,同时让音箱发出的声音更真实自然,于是人们根据电学、力学的原理,在电能转换电路上加入一些能改变喇叭效能和协同喇叭工作的元器件,并由此提出了应用至今的“分频榴莲视频APP下载网址进入IOS官方”。

分频榴莲视频APP下载网址进入IOS官方看似简单,其实不然。虽然是简单的几个元器件组合,但却溶入了电学、力学、声学等多门学科的理论和榴莲视频APP下载网址进入IOS官方。
而所有的这些仅仅是分频榴莲视频APP下载网址进入IOS官方的入门基础,想要做出合理的分频器,还必须配合箱体和喇叭单元的特性,并将心理学、哲学、物理学等学科的知识溶入其中。

因此,音箱的功率分频榴莲视频APP下载网址进入IOS官方至今仍是音箱设计生产中最重要的榴莲视频APP下载网址进入IOS官方之一。
时至今日,音箱的功率分频榴莲视频APP下载网址进入IOS官方已十分成熟。人们从早期的单只喇叭不分频的阶段,过度到两分频、三分频、分频的高层次水平,而分频电路上还派生了“单阶、双阶、三阶、四阶”的分频榴莲视频APP下载网址进入IOS官方。

以专业音箱为例,就有双喇叭两分频、三喇叭两分频,还有五喇叭两分频、三喇叭三分频、四喇叭三分频、五喇叭三分频等等。分频榴莲视频APP下载网址进入IOS官方在人们的实践实用中得到不断的改进提升、不一而足。
音箱的分频设计是一个取舍的过程,只有精确合理地取精去糟、舍取有道,才能获得合理的平衡曲线,以及精密合理的相位衔接,最终才能有效地控制喇叭使之安全地工作,使音箱的声音更好听。
那么,为什么说三分频是“未来专业娱乐音箱的主流”和“专业KTV高档次的标志”呢?
首先,从分频榴莲视频APP下载网址进入IOS官方的特点、作用和意义、成本、难度说起。
分频榴莲视频APP下载网址进入IOS官方的作用和意义在于协调不同特性的喇叭单元的工作,起到“分工、协调、修(校)正、优化、提升”的作用,使不同特性的喇叭都在安全合理的状态下发挥各自的优势,并发出人们所喜闻乐见的好声音。

因此,建立在正确理论榴莲视频APP下载网址进入IOS官方之下的合理的分频电路,越多阶、多频段的分音(频),其等效电路就越均衡,分频板对喇叭单元的控制力也越强,同时越能得到其理想的频响特性,音箱的曲线被修正、提升、优化的机率就会更高;而修正、优化、提升的手段越多,音箱的安全系数就越高,品质特性也就有可能更优秀。

多频段分频(音)及多阶分频的情况下,喇叭单元的一些能量可能被削弱、消减,但是却使其之频响特性得到更合理的修正、优化。
通过削弱消减个别喇叭的局部能量、局部特性来优化提升整体所有喇叭单元的特性,从而提升音箱品质、特性,使之性能更优越,使音箱的声音还原更真实、自然。
行业有句行话:“多一个香炉多个鬼”,讲的就是每多一种单元、多一阶分频,就多一份设计调校难度、多一份成本。
但是只要榴莲视频APP下载网址进入IOS官方和理论能得到正确支持,喇叭选取正确,那么多一种喇叭、多一阶分频就会多一份优胜。
在实用中,三分频音箱一定会比两分频音箱优胜。当然,前提是音箱的设计生产者必须具备正确的理论、高深的榴莲视频APP下载网址进入IOS官方和多年的经验。

在功率、频响曲线平衡度、频响宽度以及灵敏度这四项科学硬指标方面,三分频音箱可以设计得比两分频音箱更加优胜。
在实用过程中,以下四项客观科学指标有着举足轻重的实际意义:
❶功率大的音箱比小功率的音箱更稳定耐用。
❷灵敏度高的音箱更容易推响,失真率更低,功率消耗量相对更低。在功放同等功率输出的状态下,灵敏度高的音箱更响亮,声压级会更高,功率大灵敏度又高的音箱可以获更大的最大声压级。
❸频响宽、曲线平衡的音箱声音还原度不受制约,而且比频响窄的音箱表现力更强,声音相对更真实自然。
❹功率大、灵敏度高、频率响应宽、频响曲线平的音箱比功率相对小、灵敏度相对低、频响相对窄、曲线平衡度相对差的音箱,在实用中有绝对的优势。
功率大且灵敏度高、频响宽又曲线平衡的音箱,是所有音箱设计者梦寐以求的“上品”。而能实现这样境界指标的,目前也非三分频音箱莫属。
三分频音箱虽然设计生产难度大、成本高,但是它在实用中的优势尽显无遗。因此,在工程榴莲视频APP下载网址进入IOS官方人员追求卓越、寻求突破、玩家们观念改变、欣赏水平越来越高、追求卓越效果的年代,三分频音箱逐渐成为专业音箱的主流、KTV档次高的重要标志,是顺理成章、理所当然的时代变革所需。
|